Що таке десорбційна електролітична система і чому вона необхідна для сучасного видобутку золота

TheДесорбційна електролітична системає важливою технологією в сучасному видобутку золота, особливо в процесах вуглецю в пульпі (CIP) і вуглецю в вилуговуванні (CIL). Цей блог досліджує, як працює система, її компоненти, переваги та чому вона стала стандартом ефективного вилучення золота. Ми також висвітлюємо, як подобається компаніямEPICстимулюють інновації в цій галузі. Наприкінці ви матимете повне розуміння того, як ця система підвищує продуктивність, зменшує витрати та покращує рівень відновлення.

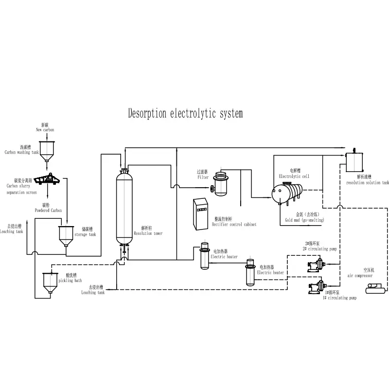
Desorption Electrolytic System

Зміст


Що таке десорбційна електролітична система

A Десорбційна електролітична системаце передова система відновлення золота, яка використовується для вилучення золота з активованого вугілля. Він широко застосовується в гірничих роботах, де золото поглинається частинками вуглецю під час процесу вилуговування.

  • Десорбція: видаляє золото з вуглецю за допомогою розчинів високої температури та високого тиску
  • Електроліз: відновлює золото з розчину на катоди
  • Система замкнутого циклу: забезпечує ефективність і мінімальні втрати

Ця система має важливе значення для підвищення ефективності відновлення та зниження експлуатаційних витрат, що робить її основним компонентом сучасних золотообробних заводів.


Як працює десорбційна електролітична система

Принцип роботи aДесорбційна електролітична системавключає два основних етапи:

  1. Стадія десорбції:Наповнений золотом вуглець обробляється гарячим лужним розчином ціаніду, вивільняючи іони золота.
  2. Етап електролізу:Збагачений золотом розчин проходить через електролітичну комірку, де золото осідає на катодах зі сталевої волокна.

Процес забезпечує високу ефективність і дозволяє безперервно працювати, тому системи від компаній подобаютьсяEPICшироко застосовуються в промислових цілях.


Основні компоненти системи

компонент функція
Десорбційна колонка Утримує активоване вугілля та полегшує видалення золота
Електролітична комірка Відновлює золото шляхом електролізу
Теплообмінник Підтримує необхідну температуру
Система фільтрації Видаляє домішки з розчину
Система контролю Автоматизує роботу та контролює параметри

Кожен компонент відіграє важливу роль у забезпеченні ефективної та стабільної роботи системи.


Технічні переваги та особливості

  • Високий коефіцієнт вилучення золота (до 98%)
  • Низьке енергоспоживання
  • Автоматизована робота для зниження трудовитрат
  • Компактний дизайн для економії простору
  • Екологічно чистий з мінімальними викидами

Виробникам подобаєтьсяEPICбезперервно оптимізувати ці системи відповідно до мінливих потреб галузі, забезпечуючи кращу продуктивність і надійність.


Застосування в обробці золота

TheДесорбційна електролітична системашироко використовується в:

  • Золотодобувні заводи
  • Операції CIP (Carbon-in-Pulp).
  • CIL (Carbon-in-Leach) процеси
  • Вилучення золотих хвостів

Його універсальність робить його придатним як для великомасштабного промислового майнінгу, так і для невеликих операцій, які потребують підвищення ефективності.


Порівняння з традиційними методами

Особливість Десорбційна електролітична система Традиційні методи
Ефективність Високий Помірний
автоматизація Повністю автоматизований Ручний або напівавтоматичний
Вартість Нижча довгострокова вартість Вищі експлуатаційні витрати
Вплив на навколишнє середовище Низький Вища

Очевидно, що сучасна система забезпечує значні переваги перед традиційними методами вилучення золота.


Інструкція з вибору для покупців

При виборі aДесорбційна електролітична система, враховуйте такі фактори:

  • Переробна потужність
  • Рівень автоматизації
  • Енергоефективність
  • Репутація виробника (наприклад, EPIC)
  • Післяпродажна підтримка

Вибір правильної системи гарантує довгостроковий операційний успіх і максимальну віддачу від інвестицій.


Поради щодо обслуговування та експлуатації

  • Регулярно перевіряйте трубопроводи та арматуру
  • Стежити за рівнем температури і тиску
  • Періодично очищайте електролізери
  • Негайно замінюйте зношені компоненти
  • Суворо дотримуйтесь інструкцій виробника

Правильне технічне обслуговування значно подовжує термін служби системи та забезпечує стабільну роботу.


FAQ

1. Яке основне призначення десорбційної електролітичної системи?

Його головне призначення — ефективне вилучення та відновлення золота з активованого вугілля.

2. Наскільки ефективна система?

Більшість систем досягають рівня вилучення золота понад 95%, залежно від умов експлуатації.

3. Чи є система екологічно чистою?

Так, сучасні системи розроблені для мінімізації викидів і скорочення хімічних відходів.

4. Чи можна налаштувати?

Так, такі компанії, як EPIC, пропонують індивідуальні рішення на основі вимог обробки.

5. У яких галузях промисловості використовується ця система?

Насамперед у золотодобувній промисловості, але також у сферах відновлення дорогоцінних металів.


Висновок

TheДесорбційна електролітична системаявляє собою прорив у технології відновлення золота, пропонуючи неперевершену ефективність, надійність та екологічність. Завдяки постійному прогресу від лідерів галузі, якEPIC, ця система стає все більш важливою для сучасних гірничих робіт. Якщо ви прагнете оптимізувати процес видобутку золота та підвищити прибутковість, інвестування у високоякісну систему є розумним вибором.Зв'яжіться з намисьогодні, щоб дізнатися більше про те, як ми можемо надати індивідуальні рішення для ваших потреб.

Надіслати запит

X
Ми використовуємо файли cookie, щоб запропонувати вам кращий досвід перегляду, аналізувати трафік сайту та персоналізувати вміст. Використовуючи цей сайт, ви погоджуєтеся на використання файлів cookie. Політика конфіденційності