English
Español
Português
русский
Français
日本語
Deutsch
tiếng Việt
Italiano
Nederlands
ภาษาไทย
Polski
한국어
Svenska
magyar
Malay
বাংলা ভাষার
Dansk
Suomi
हिन्दी
Pilipino
Türkçe
Gaeilge
العربية
Indonesia
Norsk
تمل
český
ελληνικά
український
Javanese
فارسی
தமிழ்
తెలుగు
नेपाली
Burmese
български
ລາວ
Latine
Қазақша
Euskal
Azərbaycan
Slovenský jazyk
Македонски
Lietuvos
Eesti Keel
Română
Slovenski
मराठी
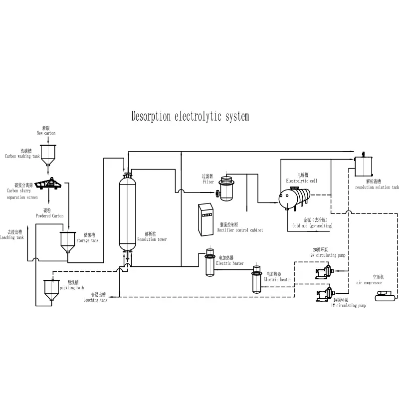
Srpski језик Електролітична система десорбції є важливою технологією в сучасному видобутку золота, особливо в процесах вуглецю в пульпі (CIP) і вуглецю в вилуговуванні (CIL). Цей блог досліджує, як працює система, її компоненти, переваги та чому вона стала стандартом ефективного вилучення золота. Ми також підкре......
ДетальнішеЗанурений спіральний класифікатор є життєво важливим компонентом у переробці корисних копалин, який покращує розділення та класифікацію частинок у різних галузях промисловості. У цій статті ми дослідимо функції, переваги та застосування занурених спіральних класифікаторів, а також те, як рішення EPI......
ДетальнішеРезервуари для перемішування вилуговування є необхідним обладнанням у гірничодобувній промисловості, особливо для вилучення цінних металів із руд за допомогою процесів вилуговування. У цьому блозі ми розглянемо важливість, принцип роботи та різні типи резервуарів для змішування для вилуговування, як......
ДетальнішеЗанурений спіральний класифікатор — це важлива частина обладнання для переробки корисних копалин, призначена для розділення частинок на основі розміру та щільності за допомогою гравітаційного осадження та механічного руху. Ця машина широко використовується в гірничодобувній промисловості, промиванні......
ДетальнішеКруговий високошвидкісний згущувач пластин (CHRIPT) є життєво важливою частиною обладнання, що використовується в гірничодобувній промисловості та переробній промисловості. Відомий своєю здатністю ефективно відокремлювати тверді речовини від рідин, цей загусник має вирішальне значення в таких галузя......
ДетальнішеОсередок циліндричної пінної флотації революціонізує переробку корисних копалин завдяки оптимізованому дизайну, підвищеній швидкості відновлення та енергоефективності. Цей вичерпний посібник досліджує, чим циліндричні флотаційні камери відрізняються від традиційних моделей, їхні принципи роботи, пер......
Детальніше