Електролітична система десорбції
  • Електролітична система десорбції Електролітична система десорбції

Електролітична система десорбції

Як один із професійних виробників, Epic хотів би забезпечити вам високоякісну декорбційну електролітичну систему. І ми запропонуємо вам найкращу послугу після продажу та своєчасну доставку.

Надіслати запит

Опис продукту

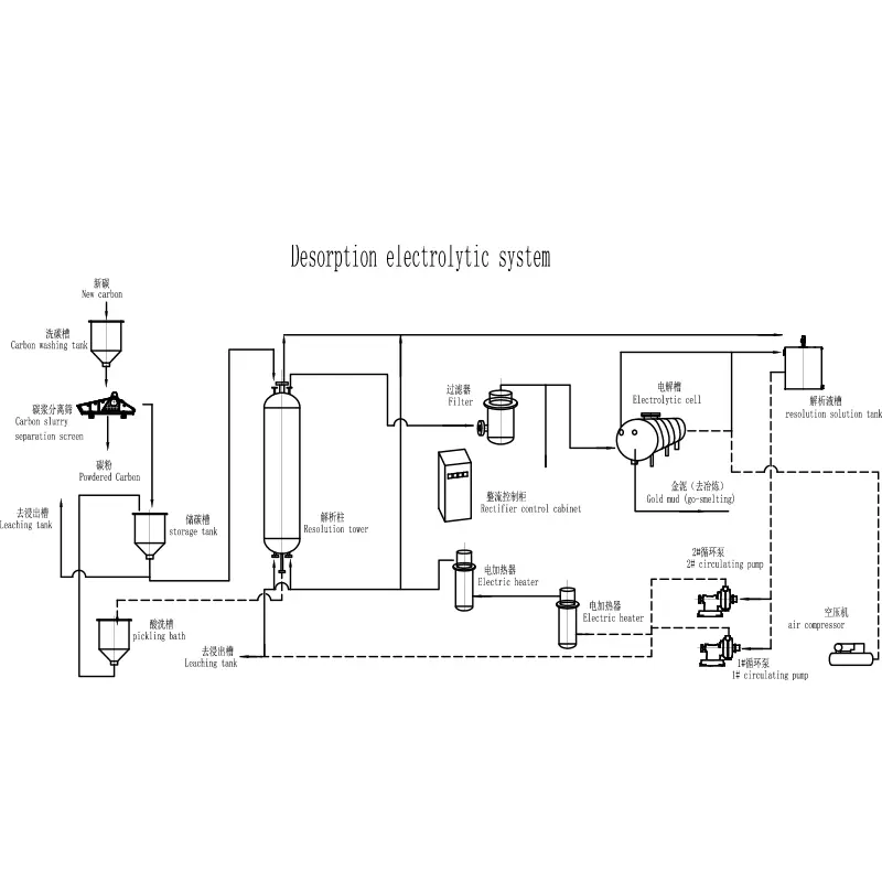
Будучи досвідченим виробником, EPIC має на меті запропонувати вам вищою електролітичною системою десорбції. Ми обіцяємо надати вам найкращу підтримку після продажу та оперативну доставку. Додавши більш простого активованого вуглецевого адсорбційного системи аніона, таким чином, заміна Au (CN) 2 ", усвідомлюючи десорбцію золота. Рідина, отримана десорбцією вуглецю, завантаженого золотом, відновлюється за допомогою іонізації для отримання твердого золота.

1, висока температура, високий тиск, без ціаніду, автоматичний контроль десорбції, з високою ельфівською мовою, споживання лука, швидке

Характеристики: 

А. Ефективність високої: Коли вуглецевий сорт, що завантажується золотом, досягає 3000 г/т, швидкість десорбції може досягати понад 96%, а поганий вуглецевий сорт може бути відновлений у 3-4 рази порівняно з звичайною електролітичною десорбційною електролітикою

Пристрій:

B.fast: Температура електролізу десорбції може бути до 150 ℃ (30-55 ℃ вище, ніж інші моделі) Робочий тиск до 0,5 мПа (на 0,2-0,5 мПа вище, ніж інші моделі), тому час десорбційного електролізу дуже швидкий, як правило, 12 год, скорочується майже 

3 рази: C. Виробництво: Електролітична температура десорбції однакова, не передача тепла через швидку роботу, тому загальне споживання електроенергії становить 1/2-1/4 звичайної системи.

2. Жоден ціанід: десорбційний розчин не потрібно додавати ціанід натрію, низьку вартість, відсутність забруднення:

3, золота грязь високого ступеня, не потрібно зворотне електроліз, легкий видобуток;

4, Автоматичне управління: спеціально встановіть систему управління рівнем рідини, систему управління температурою та система автоматичного управління;

5, безпека: за допомогою трійкових заходів захисту від безпеки, а саме сама система інтелектуального, механізму вивільнення тиску, що обмежує тиск, страхового запобіжного клапана.

Гарячі теги: Електролітична система десорбції
Надіслати запит
Будь ласка, надішліть свій запит у формі нижче. Ми відповімо вам протягом 24 годин.
X
Ми використовуємо файли cookie, щоб запропонувати вам кращий досвід перегляду, аналізувати трафік сайту та персоналізувати вміст. Використовуючи цей сайт, ви погоджуєтеся на використання файлів cookie. Політика конфіденційності