Як обладнання для ціанування покращує вилучення золота та безпеку на місці?

Якщо ви коли-небудь відчували, що ціанування є «ефективним, але стресовим», ви не уявляєте цього. Хімія працює, але повсякденна реальність може бути безладною: змінна руда, перевитрати реагентів, втрати вуглецю, несподівані простої та постійний тиск, щоб працювати безпечно та стабільно. Ця стаття розбиває щоОбладнання для ціануваннянасправді повинен зробити для вас, про що запитати перед покупкою та як уникнути найдорожчих помилок.


Анотація

СучаснийОбладнання для ціануванняце не просто набір резервуарів — це пов’язана система, розроблена для контролю умов вилуговування, стабілізації відновлення, зменшення відходів реагентів і забезпечення передбачуваності обробки ціанідів. Зазвичай покупці стикаються з чотирма проблемними моментами: непостійним відновленням, високими експлуатаційними витратами, слабким контролем безпеки та головними болями в обслуговуванні. Нижче ви отримаєте практичний огляд модулів ціанування (вилуговування, адсорбція, десорбція/електрозбирання, детоксикація та приладдя), матрицю вибору, поради щодо введення в експлуатацію та розділ поширених запитань, яким ви можете скористатися під час розмов з постачальниками.


Зміст


Контур з першого погляду

  • Переведіть «Мені потрібне ціанування» у повний контрольований обсяг обладнання.
  • Визначте, який модуль спричиняє ваші втрати (відновлення, реагент, вуглець або час простою).
  • Використовуйте просту матрицю для порівняння рішень для вашого типу руди та обмежень.
  • Заходьте на зустрічі з постачальниками з контрольним списком, який швидко виявляє слабкі конструкції.

Проблеми справжнього покупця

Коли люди роблять покупкиОбладнання для ціанування, вони часто кажуть: «Мені потрібне більше відновлення». Зазвичай вони мають на увазі: «Мені потрібне відновлення, яке залишається високим, навіть коли руда змінюється, оператори чергуються, а ділянка віддалена». Ось больові точки, які з’являються знову і знову:

  • Відновлювальні гойдалкивикликані мінливістю руди, проблемами з помелом, обмеженням кисню або поганим контролем pH.
  • Повзання вартості реагентувід передозування ціаніду або вапна «просто для безпеки».
  • Вуглецеві проблемитакі як забруднення, втрати на стирання або погана кінетика адсорбції.
  • Час простоювід поломки насоса/клапана, зносу абразивного шламу або важкодоступних макетів.
  • Стрес безпекинавколо зберігання ціаніду, дозування та готовності до екстреного реагування.

Хороший дизайн обладнання не усуває всієї складності, але повинен позбутися здогадок.


Що включає «обладнання для ціанування».

Cyaniding Equipment

Як мінімум,Обладнання для ціануванняслід розуміти як систему, яка підтримує такі функції:

  • Вилуговування: забезпечити час, змішування та хімічний контроль для розчинення.
  • Захоплення золота: адсорбція на активованому вугіллі (CIP/CIL) або шляхом осадження.
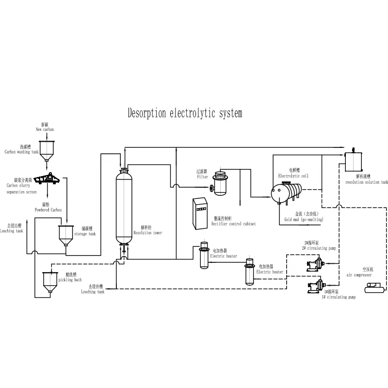
  • Відновлення золота: десорбція та електровилучення (або альтернативні схеми відновлення).
  • Детоксикація та поводження з хвостами: зменшити залишковий ціанід до прийнятного рівня.
  • Апаратура і контроль: вимірювання та стабілізація рН, розчиненого кисню, потоку та дозування.

Якщо постачальник говорить лише про «цистерни», підштовхніть його визначити весь потік і контрольні точки. Ціанідування прощає в лабораторних умовах; він не прощає в хаотичних польових умовах.


Чітка карта процесу від Оре до Доре

Незважаючи на те, що кожна рослина відрізняється, більшість шляхів ціанідування мають певну основу. Використовуйте цю карту, щоб перевірити, чи запропонований пакет повний:

етап Чого він повинен досягти Типовий «прихований» ризик
Попередня обробка (за потреби) Зробіть золото доступним і запобігти стрибкам споживання ціаніду Ігнорування попереднього пограбування, високого вмісту міді або реактивних сульфідів
Вилуговування Стабільне змішування, контрольований pH і достатня кількість кисню Мертві зони, поганий перенос кисню, непостійний рН через слабку вапняну систему
Адсорбція (CIL/CIP) Ефективне захоплення розчиненого золота Неправильний розмір вуглецю/метод перенесення; втрати вуглецю
Елюювання / Десорбція Надійно очищайте золото від вуглецю Непостійне нагрівання/потік призводить до низької ефективності очищення
Електроплавка Відновити та виготовити Доре Малорозмірні комірки, погане управління електролітом, проблеми з обробкою осаду
Детокс Зменшіть залишковий ціанід перед скиданням/хвостами Конструкція не відповідає мінливості пропускної здатності або хімічному складу відходів

Ключові модулі та що перевірити

1) Резервуари для вилуговування та перемішування

  • Чи підходить схема змішування для вашої щільності та абразивності суспензії?
  • Чи може система підтримувати стабільний рН за мінливості руди?
  • Чи практичне додавання кисню на вашій ділянці (і чи враховується перенесення кисню в проекті)?
  • Чи дозволяє компонування легко перевірити робочі колеса, вкладиші та підшипники?

2) Адсорбція та перенесення вуглецю

  • Чи достатньо міцні проміжні екрани, щоб запобігти виносу вуглецю?
  • Чи розроблено перенесення вуглецю, щоб зменшити руйнування та втрати?
  • Чи зручний дизайн для очищення та контролю запасів вуглецю?

3) Десорбція та електровилучення

  • Чи відповідає контур елюції вашим очікуванням щодо навантаження вуглецю?
  • Чи стабільні (не залежать від оператора) регулятори опалення та потоку?
  • Чи поводження з мулом планується, а не імпровізовано?

4) Дозування та вимірювання ціаніду

  • Дозування автоматизоване з блокуванням чи суто ручне?
  • Який план калібрування та обслуговування датчика в реальному шахтному середовищі?
  • Чи точки відбору безпечні та правильно розташовані, чи це запізніла думка?

5) Детокс

  • Чи базується проект детоксикації на ваших цілях скидання та хімічному складі хвостів?
  • Чи може він впоратися з короткочасними стрибками без примусового завершення роботи?

Практична підказка:Пропозиція, яка виглядає дешевшою на папері, часто підштовхує витрати до операцій — додатковий ціанід, додаткове вапно, додаткова праця з обслуговування та більш «героїчна» поведінка оператора. Рахунок надходить пізніше.


Розміри та основи специфікації

Вам не потрібно бути металургом, щоб задавати питання про розміри, які захистять ваш бюджет. дляОбладнання для ціануваннялогіка розміру ядра обертається навколо пропускної здатності, часу перебування та масопередачі. Перш ніж прийняти будь-який остаточний дизайн, переконайтеся, що ці вхідні дані чітко вказано:

  • Проектна пропускна здатність(середнє та пікове значення плюс очікувана сезонна мінливість).
  • Цільовий розмір помелуі що станеться, якщо млин буде дрейфувати грубіше.
  • Час перебування вилуговуванняі чи базується він на тестах чи припущеннях.
  • План pH і лужності(включаючи приготування вапна та стабільність дозування).
  • Киснева стратегія(повітря, кисень або нічого) та очікуваний вплив на кінетику.
  • Інвентаризація вуглецю(скільки вуглецю, де він знаходиться та як його контролюють).

Якщо постачальник не може пояснити це простою мовою, сприймайте це як сигнал ризику, а не як технічну деталь.


Безпека та контроль над ціанідами, який справді витримує

Безпека – це не плакат на стіні. За допомогою ціанування це вбудовано у фізичний дизайн і регулярний контроль. СильнийОбладнання для ціануванняпакети зазвичай включають:

  • Контентне зберігання та передачаз чіткими шляхами розливу та логікою обсипання.
  • Блоковане дозуваннятому ціанід не можна додавати, якщо не виконуються основні умови.
  • Чіткий дизайн вибіркищо знижує ризик впливу під час планових перевірок.
  • Аварійна готовністьяк частину набору операційних процедур, а не як додатковий документ.

З точки зору покупця, ваша робота проста: змусити пропозицію показати, як люди взаємодіють із системою. Де вони стоять? Чого вони торкаються? Як вони ізолюють обладнання? Як вони реагують на поломку ущільнення насоса о 2 годині ночі?


Звідки насправді беруться операційні витрати

Якщо ваша ціна за унцію зростає, зазвичай це не один драматичний збій, а невеликі витоки в системі. У ціануванні найпоширенішими причинами витрат є:

  • Споживання ціанідіввикликані реактивними мінералами, звичками передозування або поганими контурами контролю.
  • Споживання вапнаколи контроль pH нестабільний або хімічний склад суспензії недостатньо вивчений.
  • Втрата вуглецючерез виснаження, проблеми з екраном або поганий дизайн передачі.
  • Живлення та обслуговуваннявід надмірного перемішування, недостатньо розроблених деталей, що зношуються, і складних для обслуговування макетів.
Симптом Ймовірна першопричина Функція обладнання, яка допомагає
Відновлення падає при зміні руди нестабільність pH/DO; погане змішування; недостатній час перебування Надійне перемішування, кращі контрольні прилади, гнучкий резервуар
Витрати ціанідів постійно зростають передозування; мінерали з високим вмістом ціаніду; погане вимірювання Контрольоване дозування, надійні точки відбору проб, розумніші блокування
Запаси вуглецю «загадковим чином» скорочуються збої екрану; втрати при передачі; виснаження Міцні міжкаскадні екрани, м’яка конструкція перенесення, чіткий облік вуглецю
Часті відключення Зношувані деталі, ущільнення насоса, проблеми з доступом Зносостійкі матеріали, доступ до обслуговування, стандартизовані запчастини

Надійність і технічне обслуговування

Cyaniding Equipment

Схема ціанування може виглядати «повною» і все ще бути ненадійною, якщо технічне обслуговування не було розроблено. Запитайте, як постачальник підходить до:

  • Вибір матеріалівдля абразивних суспензійних зон і зон контакту з ціанідом.
  • Доступдо екранів, робочих коліс, вкладишів, насосів і приладів.
  • Стратегія запчастинщо відповідає дійсності вашого сайту (час виконання, логістика, запаси).
  • Стандартизаціящоб зменшити кількість унікальних предметів одягу.

У віддалених операціях «легкий в обслуговуванні» може бути більшим, ніж «трохи ефективніший на папері».


Запитання постачальника, які варто поставити

Використовуйте цей контрольний список на зустрічах. Його розроблено, щоб швидко висвітлювати слабкі пропозиції, не перетворюючи розмову на дебати.

  • Які рудні ризики припускаються, а які активно розроблені?
  • Які вхідні дані щодо часу перебування, діапазону рН і стратегії кисню?
  • Як контролюється дозування ціаніду і що відбувається при виході датчика з ладу?
  • Як запобігають і вимірюють втрати вуглецю під час звичайних операцій?
  • Який план доступу до технічного обслуговування сит, мішалок і насосів?
  • Які рекомендовані перевірки оператора за зміну та як зробити їх безпечними?
  • Яка підтримка введення в експлуатацію включена та яке навчання операторів надається?

Якщо ви оцінюєте постачальників, вам може допомогти поговорити з виробником, який може надати повний пакет ціанування та підтримати деталі інтеграції. Наприклад, Qingdao EPIC Mining Machinery Co., Ltd.надає рішення для технологічного обладнання для гірничодобувної промисловості, де пакети ціанування розглядаються як системи — вилуговування, адсорбції, відновлення та контролю — а не як від’єднаний набір резервуарів.


FAQ

Що робить обладнання для ціанування «сучасним», а не базовим?

Сучасні конструкції зосереджені на керованості та повторюваності: стабільне дозування, надійне вимірювання, безпечніший відбір проб, надійний захист від зносу та компонування, що зменшує імпровізацію оператора. Метою є послідовне відновлення з меншою кількістю відходів реагентів і меншою кількістю зупинок.

Чи може обладнання для ціанування економічно обробляти руду низького вмісту?

Це можливо, але лише тоді, коли схема розроблена відповідно до вашої кінетики та профілю споживання. Низькоякісні операції, як правило, чутливі до перевитрати реагентів і простою, тому системи контролю, дизайн зносу та управління вуглецем стають особливо важливими.

Як дізнатися, чи потрібен мені CIP чи CIL?

Вибір зазвичай залежить від кінетики вилуговування та того, наскільки швидко потрібно вловлювати розчинене золото. Якщо золото швидко розчиняється, і ви хочете негайно захопити, CIL може бути привабливим. Якщо вилуговування виграє від сепарації перед адсорбцією, CIP може підійти краще. Металургійні випробування та практичні обмеження на місці повинні керувати рішенням.

Чому споживання ціаніду іноді раптово зростає?

Поширені причини включають зміни рудних мінералів, поганий контроль рН, несподіване обмеження кисню або забруднення технологічної води. Хороший план контролю та надійні точки відбору проб спрощують діагностику та швидке усунення цих стрибків.

Що я повинен зробити пріоритетним, якщо мій сайт є віддаленим і не має персоналу?

Надайте пріоритет ремонтопридатності та автоматизації, що зменшує ручне поводження: міцні екрани, доступне розташування обладнання, стандартизовані запасні частини, блоковане дозування та чіткі робочі процедури, які не покладаються на «одного досвідченого оператора».


Підведення підсумків

КупівляОбладнання для ціануваннязрештою, це зменшення невизначеності. Хімія може бути доведена, але ваша прибутковість залежить від постійного контролю, практичного обслуговування та безпеки, яка працює на реальних змінах з реальними людьми. Якщо ви плануєте новий завод або модернізуєте існуючу схему, візьміть до уваги реальні умови видобутку руди, цільові показники пропускної здатності та обмеження на ділянці — і наполягайте на пропозиції, яка розглядає ціанування як повну, керовану систему.

Готові перетворити свій план ціанування на надійну, економічно стабільну операцію?Поділіться своїм типом руди, цільовою потужністю та умовами ділянки, а такожзв'яжіться з намищоб обговорити практичну конфігурацію обладнання, яке підходить для вашої установки та ваших операторів.

Надіслати запит

X
Ми використовуємо файли cookie, щоб запропонувати вам кращий досвід перегляду, аналізувати трафік сайту та персоналізувати вміст. Використовуючи цей сайт, ви погоджуєтеся на використання файлів cookie. Політика конфіденційності